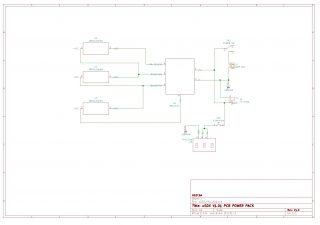
uSDX PSU Schematic
- Önceki yazı uSDX SDR SSB SOTA TRANSCEIVER BATTERY PACK
Bunlar da hoşunuza gidebilir...
Kızılötesi Kumanda Projesi
Yazar: arsivden · Published 1 Şubat 2006 · Last modified 4 Kasım 2016
Gazete Yazıları
Yazar: arsivden · Published 26 Mayıs 2007 · Last modified 27 Ağustos 2017
Uluslararası 54. JOTA (Jamboree On The Air)
Yazar: antrak · Published 4 Kasım 2011

