ANTRAK Frekansı Blog
RF Amplifikatörlerinde IP2 ve IP3'ün Belirlenmesi
RF alıcı için sinyal yükseltici yaptığınızda sadece sinyali mi yükseltiyorsunuz yoksa gürültü de mi yükseliyor, ne dersiniz bunu merak etmiyor musunuz? Ne nasıl oluyor okumak için bu yazıyı kaçırmayın!
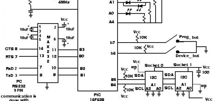
24CXX seri eepromlar
24CXX seri eeprom donanımını ve protokollerden patenti Philips firmasına ait olan i2c�nin seri eepromlarda kullanımını ardından da bu hafızaların kopyalanmasını sağlayan bir uygulamayı bu yazıda bulacaksınız.
Okur Mektupları Köşesi
Her ay gerek gazetenin altlarında yer alan "Antrak Gazetesi İçin Ne Düşünüyorsunuz?" bölümü, gerek e-mail linki üzerinden çeşitli eleştiri ve soru mailleri alıyoruz. Bunları artık tek tek değil, her ay bu köşede yanıtlayacağız. Bize...
Dijital Haberleşme
Dijital haberleşme döneminin getirilerini hepimiz ceplerimizde taşıyoruz zaten, bir süre sonra haberleşme denince analog hiç aklımıza gelmeyecek bile. Peki ne dersiniz bu konuda birza bilgi sahibi olmaya?
