ANTRAK Frekansı Blog

Hukuk Köşesi

Hukuk Köşesi

Komşuluk hukuku ve amatörtelsizcilik ile ilgili bir yazı okumaya ne dersiniz?

Havadan Sudan

Havadan Sudan

Internet ve amatör telsizciliğe etkisi, Internet ile ilgili yenilikler bu yazıda kaçırmayın!

Vitriol

Vitriol

Sevgi ve kardeşlik üzerine bir yazı dizisi.. Yolu sevgiden geçen ve mükemmel olmak için çalışmayı kafasına koyanlar bu yazı dizisini okumalı.

Elektromanyetik Kirlilik

Yazı dizisi devam ediyor.. Monitorlerimiz sağlığımız için zararlı mı? Cevabı bu bolümde!

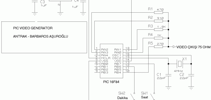
PIC Uygulamaları

Ir uzaktan kumandalar Pic ilginç oyle değil mi? Kaçırmayın!

Teknoloji ve Endüstriyel İlişkiler

20. yüzyıl insanlık tarihinin en hızlı teknolojik gelişmelerinin yaşandığı yüzyıl. Teknolojinin  endüstriyel ilişkilere etkisini bu yazıda  bulacaksınız. Kaçırmayın!