QO-100 / 2400 MHz UpConverter Kiti
Projenin Amacı
Atölye grubu radyo amatörlüğü konularında araştırma ve geliştirme faaliyetleri gösteren küçük bir amatör topluluktur. Grup, elektronik ve teknik konularda araştırma faaliyetlerini videolar, dokümanlar, çalışma grupları ve hazırladıkları kitler aracılığı ile diğer radyo amatörleri ile de paylaşmayı hedeflemiştir.
Atölye çalışma grubu tarafından tasarlanan ve imal edilen “TA-NET 777 QO-100 Upconverter” devresinin amacı, öncelikle ülkemizdeki QO-100 uydusu kullanımını yaygınlaştırmak ve SHF (Super High Frequency) yüksek frekans kullanımı konusunda kullanıcı farkındalığını arttırarak mikrodalga haberleşmesine olan ilgiyi arttırmaktır.
Bu kapsamda 2025 yılı faaliyetleri kapsamında aşağıda detayları açıklanan HF, VHF, UHF ve SHF frekanslarından (28MHz, 145MHz, 435MHz ve 1250 MHz) özellikle QO-100 uydusunun uplink frekansı olarak kullanılan 13cm (2400 MHz) bandına yükseltilmesini sağlayacak bir proje gerçekleştirilmiş, projenin tasarım çalışmaları ve konu ile ilgili anlatımlı sunumlar https://www.youtube.com/playlist?list=PLecaGE98mtkhjbvLQakkzYl7DVgV7Ta73 Adresinde bulunan youtube videosu ile paylaşılmıştır.
Upconverter için nasıl bir sisteme sahip olmalıyım ?
Upconverter kullanabilmek için, elinizde giriş frekanslarından herhangi birinde çalışan bir SSB telsiz ihtiyacınız vardır, örneğin:
- VHF SSB (ICOM IC-705, ICOM IC-706, YAESU FT-817, YAESU FT857, vb.)
- UHF SSB (ICOM IC-705, ICOM IC-706, YAESU FT-817, YAESU FT857, vb.)
- SHF SSB (ICOM IC-9700, KENWOOD TS-2000X, vb.)
- 50 MHz (ICOM HF, YAESU HF cihazlar ve QMX+ )
Sistemin genel blok şeması nasıldır ?
Anten bileşeni dahil sistemin alt bileşenlerinin gösterildiği blok şema yapısı aşağıdaki gibidir:
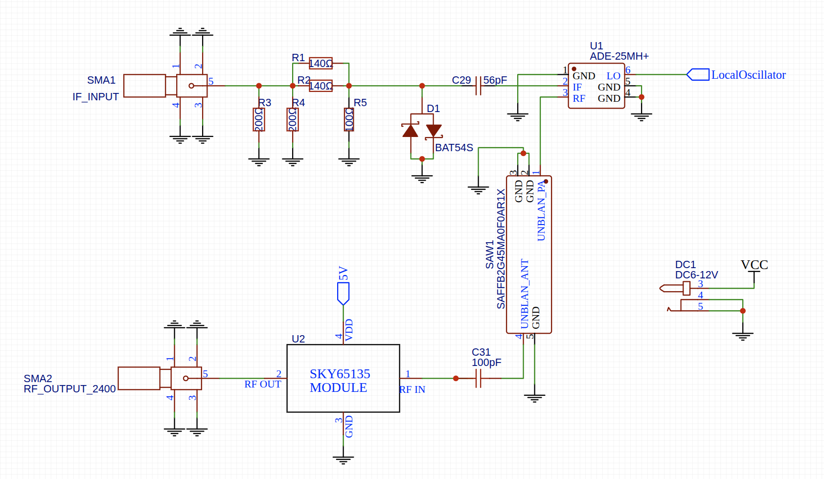
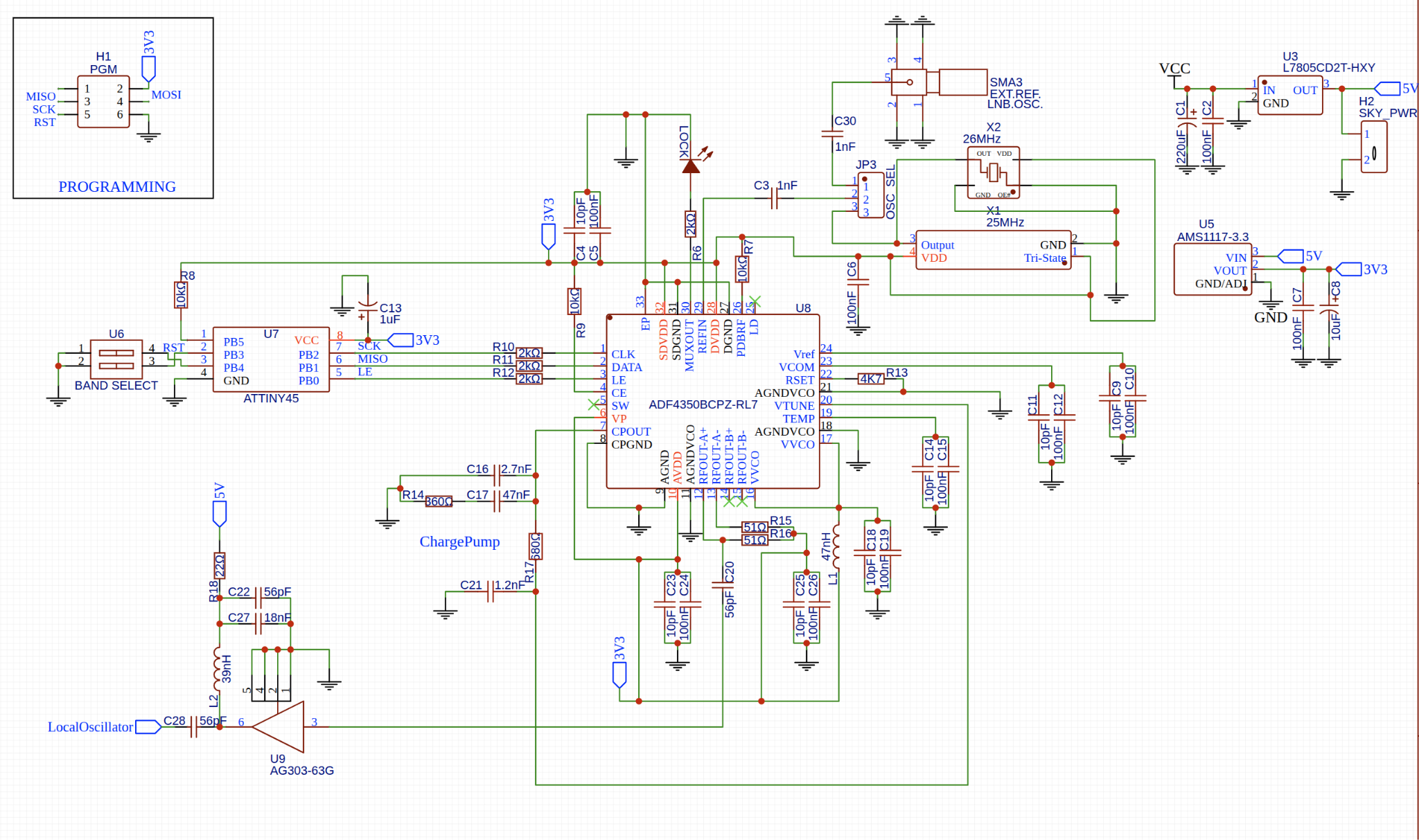
Sistemin detay şeması
Sistemin elektronik şema çizimi aşağıdaki gibidir. Bu şema EasyEda yazılımı kullanılarak hazırlanmış olup, hazırlanma aşaması ve bu aşamada verilen tüm kararar yukarıda paylaşılan video linkinde bulunan videolardan detaylıca takip edilebilir. Her kullanıcı olmasa da radyo amatörlüğünün teknik ve elektronik alanına ilgi duyanların bu videoları izleyerek farklı frekanslar için tasarlanabilecek updonverter/downconverter çalışmalarına destek olacağını düşünüyoruz. Videolarda sadece bir upconverter/downconverter tasarımı konusu değil temel elektronik tasarımı esnasında izlenen adımlar detaylıca anlatılmaya çalışılmış ve bu çalışmanın bir eğitim içeriği olmasına özen gösterilmeye çalışılmıştır.
Şema 2 bölümden oluşmaktadır :
- Üst seviye şematik
- Osilatör ve Mixer
Çalışma Prensibi
Devrenin en önemli bileşenlerinden biri mixer(karıştırıcı)’dır. Mixer elemanının 2 adet girişi (IF ve LO) ve bir çıkışı (RF) bulunur. Girişlerine uygulanan sinyallerin toplamları ve farkları (ve sinyallerin kendileri) çıkışta belirirler. Bunlardan uygun olanı bir filtre ile süzülerek kullanılır.
Örneğin:
Devrede ATTiny mikroişlemcisi tarafından yönetilen ADF4350/ADF4351 frekans sentözörü Lokal Osilatör sinyali olarak kullanılak olan RF sinyalini üretir.
Bu frekans kullanılacak IF telsiz girişi frekansı ile uygun olarak aşağıdaki frekansları üretmektedir;
- VHF telsiz için 2400 – 145 = 2255MHz
- UHF Telsiz için 2400 – 435 = 1965 Mhz
- 50 Mhz bandı için 2400 – 50 = 2350 MHz
- 1250 MHz için 2400 – 1250 = 1150 MHz
Böylece telsizden gelen sinyal ile lokal osilatörde üretilen sinyal kullanılan ADE-25MH mikserinde karıştırıldığında çıkışında 2400 Mhz oluşur. Bu sinyal diğer bileşenlerden kurtulmak için bir filtre ile temizlenir.
Devre üzerindeki malzeme listesi
Devre üzerinde yer alan malzemelerin listesi aşağıda verilmiştir :
| Değeri | Malzeme Kodu | Boyutu | Üretici Numarası | |
| 1 | 220uF | C1 | CAP-SMD_BD8.0-L8.3-W8.3-LS9.3-FD | 126RV0174 |
| 2 | 100nF | C2,C6,C7 | C0805 | CC0805KRX7R7BB104 |
| 3 | 1nF | C3,C30 | C0402 | CL21B102KBANNNC |
| 4 | 10pF | C4,C9,C11,C14,C18,C23,C25 | C0402 | 0805CG100J101NT |
| 5 | 100nF | C5,C10,C12,C15,C19,C24,C26 | C0402 | CC0805KRX7R7BB104 |
| 6 | 10uF | C8 | CAP-SMD_L7.3-W4.3-FD | TAJE106M050RNJ |
| 7 | 1uF | C13 | CAP-SMD_BD4.0-L4.3-W4.3-LS5.3-FD | VT105M050C5DRR0NB1VP0 |
| 8 | 2.7nF | C16 | C0402 | GRM2165C1H272JA01D |
| 9 | 47nF | C17 | C0402 | 0805B473K500NT |
| 10 | 56pF | C20,C22 | C0402 | 0805CG560J500NT |
| 11 | 1.2nF | C21 | C0402 | NL0805B122K500CPBN |
| 12 | 18nF | C27 | C0402 | 0805F183M500NT |
| 13 | 56pF | C28,C29 | C0805 | 0805CG560J500NT |
| 14 | 100pF | C31 | C0402 | AM02CG101J500NT |
| 15 | BAT54S | D1 | SOT-23-3_L2.9-W1.3-P1.90-LS2.4-BR | BAT54S |
| 16 | DC6-12V | DC1 | DC-IN-SMD_DC-044D-2.5A-2.0-SMT | DC-044D-2.5A-2.0-SMT |
| 17 | SKY_PWR | H2 | HDR-TH_2P-P2.54-V-M-1 | 826629-2 |
| 18 | 47nH | L1 | L0402 | VHF201209H47NJT |
| 19 | 39nH | L2 | L0805 | VHF201209H39NJT |
| 20 | NCD0603R6 | LOCK | LED0603-RD | NCD0603R6 |
| 21 | 140Ω | R1,R2 | R2512 | 25121WF1400T4E |
| 22 | 200Ω | R3,R4 | R2512 | HP122WF2000T4E |
| 23 | 100Ω | R5 | R2512 | 25121WF1000T4E |
| 24 | 2kΩ | R6,R10,R11,R12 | R0402 | RS-05K2001FT |
| 25 | 10kΩ | R7,R9 | R0402 | FRH0805B1002TS |
| 26 | 10kΩ | R8 | R0805 | FRH0805B1002TS |
| 27 | 4K7 | R13 | R0402 | RC0805FR-074K7L |
| 28 | 360Ω | R14 | R0402 | RC0805FR-07360RL |
| 29 | 51Ω | R15,R16 | R0402 | RC0805FR-0751RL |
| 30 | 680Ω | R17 | R0402 | FRC0805J681 TS |
| 31 | 22Ω | R18 | R0805 | RC0805JR-0722RL |
| 32 | SAFFB2G45 | SAW1 | FILTER-SMD_5P-L1.1-W0.9-L_RSFP2413E | SAFFB2G45MA0F0AR1X |
| 33 | ADE-25MH+ | U1 | SMD-6_L7.8-W5.6-P2.54-LS6.9-BL | ADE-25MH+ |
| 34 | L7805CD2T-HXY | U3 | TO-263-2_L10.2-W8.5-P2.54-LS15.2-TL | L7805CD2T-HXY |
| 35 | AMS1117-3.3 | U5 | SOT-89-3_L4.5-W2.4-P1.50-LS4.0-BR | AMS1117-3.3S |
| 36 | BAND SELECT | U6 | SW-SMD_SMXS-02K-TP | SMXS-02K-TP |
| 37 | ATTINY45 | U7 | SOIC-8_L5.3-W5.3-P1.27-LS8.0-BL | ATTINY45-20PU |
| 38 | ADF4350 | U8 | LFCSP-32_L5.0-W5.0-P0.50-TL-EP3.1 | ADF4350BCPZ-RL7 |
| 39 | AG303-63G | U9 | SOT-363_L2.0-W1.3-P0.65-LS2.1-BL | AG303-63G |
| 40 | 25MHz | X1 | OSC-SMD_4P-L3.2-W2.5-BL-OXETDLJANF-0.032768MHZ | OXETDLJANF-25MHZ |
| 41 | 26MHz | X2 | OSC-SMD_4P-L3.2-W2.5-BL_1XTV | 1XTW26000MAA |
Bağlantı nasıl Yapılır:
- IF IN yazan kısmı maksimum 5 Watt (DİKKAT!!!) olan bir SSB VHF/UHF/SHF telsize bağlanır
- RF Out kısmı uygun yükselticiler ile antene bağlanır
- DC girişine 7-12V DC uygulanır (dikkat anten yokken enerjilendirmeyiniz)
- SSB BAND select telsizinize uygun olan banda ayarlanır
Telsiz ile gönderme yaptığınızda upconverter 2400 MHz bandında sinyalinizi uygun (karşılık gelen) frekanstan gönderecektir. Örneğin : 435.277 MHz’den yapılan yayın 2400.277 MHz’den gönderilir.
Sistemin Görünüşü
ATOLYE Ekip Üyeleri
Ahmet Cihan TA2AAC
Ahmet Tuna TA4ATX
Ali Pargan TA4J
Ali Riza TA2IM
Barbaros Asuroglu WB2CBA
Barış Dinç TA7W
Burcu Aybak Dinc TA2NBA
Caner Albayrak TA2APL
Cem Karagöz TA2GY
Egemen Metin Turan TA2TME
Enes Genc TA1NSG
Fazli Celen TA2VB
Inci
Gül Albayrak TA2WBW
Ismail Erdogan DL2IE
Mehmet Kadri başak TA1D
Mevlut Zengin TA7MVL
Murat Cinar TA2KMC
Murat Oz TA2BI
Nezih Yamaneren TA2BOW
Omer Kavas TA2IB
Resul Yucel TA5AQD
Sadan Ozden TA4SO
Sertac Pamukcu TA1TV






