Ankara Telsiz ve Radyo Amatörleri Kulübü Derneği
Yazar: antrak · 2 Temmuz 2015
1 Ocak 2001
Yazar: arsivden · Published 1 Ocak 2001
1 Şubat 2002
Yazar: arsivden · Published 1 Şubat 2002
1 Kasım 1998
Yazar: arsivden · Published 1 Kasım 1998
Takip Et:
*Verilerimiz, ANTRAK binasında bulunan hava durumu istasyonumuzdan canlı olarak gelmektedir.
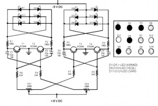
Neon Lambalar
Apple Dünyası – 4 – Disk kablosu değişimi
Çözerek Öğrenelim
CPU – RAM Monitörü
BIR FISILTI (WSPR) MACERASI ve ESP_WSPR
ANTRAK Faaliyetleri – 21 Mayıs 2016
Güneş Enerjisi
Sigara Paketine Sığan FM Verici
Dokunmadan Dokunmatik Ekran
Bir AMPR Anısı