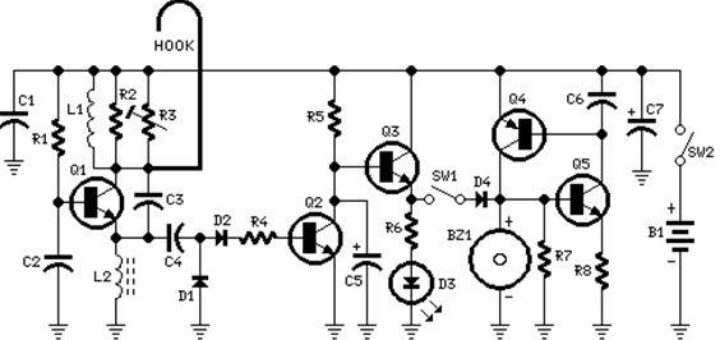
Su Seviye Monitörü
BASİT 3 LED GÖSTERGELİ UZAKTAN KUMANDA UYGULAMALI MONİTÖR PARÇALAR: R1,R2,R10-R12___15K 1/4W DIRENC R3,R4____________1K 1/4W DIRENC R5_____________100R 1/4W DIRENC R6______________47K 1/4W DIRENC R7,R8,R13________3K3 1/4W DIRENC R9,R14,R15_______2K7 1/4W DIRENC C1_____________470nF 63V Polyester VEYA Seramik...
